| 電壓: | DC48V | 行程: | 10MM | 電阻: | 16 | 功率: | 144W |
| 耐溫: | 壽命: | 20萬次 | 耐電壓: | 初始力: | 2KG | ||
| 電流: | 3A | 通電率: | 彈簧回力: | 吸力: |
48V強力圓管式推拉電磁鐵定制
型號:SDL-o2028C-48S16
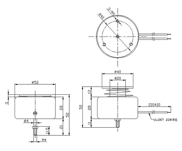
參數
行程:10MM
電壓:DC48V
初始力:2KG
電流:3A
電阻:16
功率:144W
壽命:20萬次
單次通電時間:1S
反應速度:50MS
溫升要求:65
產品使用行業:智能機械人
產品執行功能:推拉機械手
拓展適用行業:自動化設備
產品特點:體積小,有安裝法蘭,行程大。




廣州思德隆電子有限公司(http://m.youlinheaven.com/)創立于2005年,是一家專業生產研發電磁鐵定制加工,小型電磁鐵等各類電磁產品,擁有豐富行業經驗的廣州電磁鐵廠家、廣州電磁閥廠家、電磁線圈廠家。品種多樣,規格齊全,產品從零部件到成品組裝均有自己的加工設備以及產生線,擁有高精密度檢測儀器和自主研發的老化設備,已通過(ISO9001認證)專業制造48V強力圓管式推拉電磁鐵從產品設計到樣品以及量產,均有量化高效的工藝流程及老化實驗檢測,保證了產品的質量與訂單的按時交貨。
http://m.youlinheaven.com/coinfo-41.html
http://m.youlinheaven.com/elinfo-192.html
http://m.youlinheaven.com/elinfo-191.html
http://m.youlinheaven.com/elinfo-190.html
http://m.youlinheaven.com/elinfo-188.html
http://m.youlinheaven.com/elinfo-187.html
| 上一篇:機械自動化設備用圓管推拉式電磁鐵 |
| 下一篇:物聯網智能柜鎖開關電磁鐵定制 |






